

CONTACT US
13917016818
hdfmz@126.com
021-31120495
021-31120496
上海市嘉定区南翔镇翔乐路南翔工业园区
产品用途
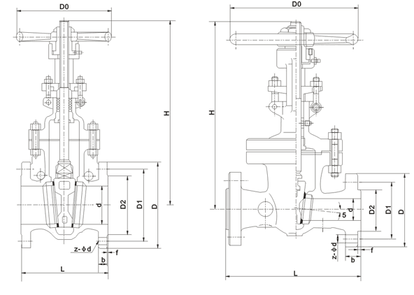
法兰连接API铸钢闸阀适用于ANSI Class 150~2500,工作温度<600℃的石油、化工、火力电站等各种工况的管路上,切断或接通管路介质。适用介质为:水、油品、蒸汽等。操作方式有:手动、齿轮传动、电动、气动等。
产品结构特点
1.产品设计制造按API标准,密封可靠,性能优良、能与进口设备配套使用。
2.600Lb以上闸板与阀座密封采用司太立(stellite)钴基硬质合金堆焊而成,耐磨、耐高温,耐腐蚀,抗擦伤性能好、使用寿命长
3.阀杆经调质和表面氮化处理,有良好的抗腐蚀性和抗擦伤性。
4.采用楔式弹性闸板结构,中大口径设置滚动轴承,启闭轻松。
5.阀体材料品种齐全,填料、垫片根据实际工况或用户要求合理选配,能适用于各种压力、温度及介质工况。
6.1500LB、2500LB中腔采用压力自紧式密封结构。密封性能随内压升高而升高,可靠性高。
7.倒密封采用不锈钢螺纹连接密封座或本体堆焊奥氏体不锈钢而成,倒密封可靠,填料更换和维修可在不停机情况下进行,方便快捷不影响系统运行。
型号 | 公称压力 | 实验压力 | 工作温度(℃) | 适用介质 | ||
强度(水)(Mpa) | 密封(水)空气 | 低压密封空气(Mpa) | ||||
Z4IH6C | 1.6 | 2.4 | 1.8 | 0.6 | ≤200 | NITRICACID |
硝酸类 | ||||||
ACETICACID | ||||||
醋酸类 | ||||||
NITRICACID | ||||||
Z41W-25P(R) | 2.5 | 3.8 | 2.8 | 0.6 | ≤200 | 硝酸类 |
Z41W-40P(R) | 4.0 | 6.0 | 4.4 | 0.6 | ≤200 | ACETICACID |
Z41W-64P(R) | 6.4 | 9.6 | 7.0 | 0.6 | ≤200 | 醋酸类 |
阀体/阀盖 | ZG1Cr18Ni9Ti | ZG00Cr18Ni10 | ZG1Cr18Ni12Mo2Ti | ZG00Cr17Ni14Mo2 | WCB |
零件名称 | ZG1Cr18Ni9Ti系列 | ZG00Cr18Ni10系列 | ZG1Cr18Ni12Mo2Ti系列 | ZG00Cr17Ni14Mo2系列 | WCB系列 |
闸板 | ZG1Cr18NI9Ti | ZG00Cr18Ni10 | ZG1Cr18Ni12Mo2Ti | ZG00Cr17Ni14Mo2 | 1Cr13 |
阀杆 | 1Cr18Ni9Ti | ooCr18Ni10 | 1Cr18Ni12Mo2Ti | ooCr17Ni14Mo2 | 1Cr13 |
填料 | PTFE编织 | PTFE编织 | PTFE编织 | PTFE编织 | 石墨Graphite |
垫片 | 304L+PTFE | 304L+PTFE | 316L+PTFE | 316L+PTFE | 石墨+304 |
压盖 | ZG1Cr181Ni10 | ZG00Cr18Ni10 | ZG1Cr18Ni12Mo2Ti | ZG00Cr17Ni14Mo2 | WCB |
填料压环 | 1Cr18Ni9Ti | 00Cr18Ni10 | 1Cr18Mi12Mo2Ti | 00Cr17Ni14Mo2 | 1Cr13 |
螺栓 | 1Cr171Ni2 | 1Cr171Ni2 | 1Cr171Ni2 | 1Cr171Ni2 | 35CrMoA |
螺母 | 1Cr18Ni9Ti | 1Cr18Ni9Ti | 1Cr18Ni9Ti | 1Cr18Ni9Ti | 45 |
