

CONTACT US
13917016818
hdfmz@126.com
021-31120495
021-31120496
上海市嘉定区南翔镇翔乐路南翔工业园区
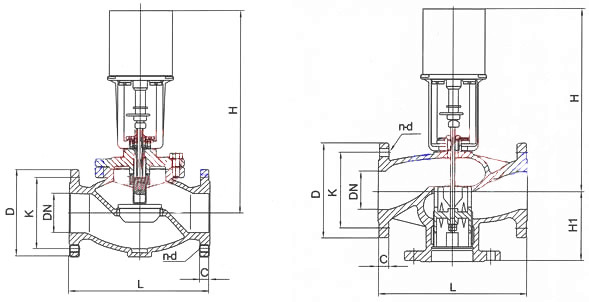
法兰电动二通调节阀产品简介
VB-7000系列法兰铸铁阀门配以电子驱动控制装置后,能调节蒸汽或冷、热水的流量,广泛用于中央空调、采暖、水处理、工业加工行业等系统的流体控制。


规格型号及技术数据
常规阀型号 | 口径 | 形 式 | L | H | D | b | a | f | 法兰 | 重量 | 行程 |
VB-7200 | 65 | 2通 | 290 | 148 | 185 | 20 | 145 | 18 | 4 | 23 | 45 |
VB-7200 | 80 | 310 | 185 | 200 | 20 | 160 | 18 | 8 | 31 | 45 | |
VB-7200 | 100 | 350 | 206 | 220 | 20 | 180 | 18 | 8 | 39 | 45 | |
VB-7200 | 125 | 400 | 227 | 250 | 22 | 210 | 18 | 8 | 66.5 | 45 | |
VB-7200 | 150 | 480 | 272 | 285 | 22 | 240 | 22 | 8 | 87 | 45 | |
VB-7200 | 200 | 533 | 279 | 340 | 30 | 295 | 22 | 12 | 90 | 45 | |
VB-7300 | 65 | 3通 | 290 | 158 | 185 | 20 | 145 | 18 | 4 | 25 | 45 |
VB-7300 | 80 | 310 | 195 | 200 | 20 | 160 | 18 | 8 | 26 | 45 | |
VB-7300 | 100 | 350 | 216 | 220 | 20 | 180 | 18 | 8 | 32 | 45 | |
VB-7300 | 125 | 400 | 237 | 250 | 22 | 210 | 18 | 8 | 58 | 45 | |
VB-7300 | 150 | 480 | 282 | 285 | 22 | 240 | 22 | 8 | 76 | 45 | |
VB-7300 | 200 | 533 | 289 | 340 | 30 | 295 | 22 | 12 | 97 | 45 | |
VA7000产品执行器简介
VA-7000系列驱动器,与VB-7000系列阀门配用亦可通过不同的连接器与其它阀门配用。
工作原理
驱动器是由可逆同步马达驱动,并带磁性离合器。马达通过马达转子与离合器所产生的磁性作用,能在停顿的情况下产生稳定的扭力。故此当马达设有电流通过时能稳定地停顿在任何一点,当阀门全开或全关时磁离合器分离,停止调节。驱动器的递增式或比例式控制器所发讯号能使马达顺时转动或逆时转动。
特 点
24V交流电压的同步可逆转马达。
1000牛顿力。
限位磁性离合器。
动作利用齿轮传送,输出齿轮螺杆组采用绕中
心轴旋转的平面滚动轴承,阀轴则采用中央螺
丝管道以及定位圆片。
阀动位置指示器。
防火的ABS塑料外罩。
可附加手动控制杆。
现场安装方便。
适合23mm以下的直行程调节阀。
型号说明
VA7100内置24V/AC双向可逆马达,直行程调节。
VA7102能接受与反馈0~10V或4~20mA控制讯号,提供比例式控制